مکانیکال سیل M7N : مشخصات، خرید و قیمت
آیا به دنبال خرید مکانیکال سیل M7N با عملکردی مطمئن و قیمتی مناسب هستید؟ نشتیهای مکرر پمپها و هزینههای بالای تعمیرات، چالشی جدی در صنایع مختلف است. مکانیکال سیل M7N، به عنوان یکی از پرفروشترین و استانداردترین آببندهای مکانیکی در جهان، راهکاری قطعی برای این مشکل است. این محصول که بر اساس استاندارد جهانی EN 12756 طراحی شده، تضمینکننده آببندی کامل در شرایط سخت صنعتی است.
برسی جامع مکانیکال سیل M7N
“مکانیکال سیل M7N” یک آببند صنعتی پرکاربرد است که بر اساس استاندارد جهانی DIN EN 12756 طراحی شده است. این محصول به دلیل عملکرد پایدار، طول عمر بالا و قابلیت انطباق با شرایط سخت کاری، یکی از پرفروشترین آببندهای مکانیکی محسوب میشود. از مهمترین مزایای سیل M7N میتوان به عملکرد قابل اطمینان در فشار تا ۲۵ بار و دمای تا ۲۲۰ درجه سانتیگراد اشاره کرد.
مشخصات فنی، کاتالوگ ها و کاربرد های مکانیکال سیل m7n در ادامه شرح داده شده است.
ما در سایت مکانیکال سیل به عنوان یک متخصص در زمینه آببندهای مکانیکی، ما به شما کمک میکنیم تا بهترین انتخاب را برای نیازهای صنعتی خود داشته باشید. در ادامه، راهنمای کاملی از **مکانیکال سیل M7N**، مشخصات فنی و مدلهای تخصصی آن ارائه شده است.
مشخصات M7N ▼
چرا خرید مکانیکال سیل M7N یک انتخاب هوشمندانه است؟
دلایل متعددی برای محبوبیت و فروش بالای این آب بند مکانیکی وجود دارد. در ادامه، مزایای کلیدی که شما با خرید مکانیکال سیل M7N به دست میآورید را بررسی میکنیم:
- طول عمر استثنایی: استفاده از متریالهای ضدسایش مانند سیلیکون کارباید (SiC)، نیاز به تعمیر و تعویضهای مکرر را به حداقل میرساند و هزینههای شما را کاهش میدهد.
- عملکرد پایدار در شرایط دشوار: این سیل برای کار در فشار تا 25 بار و دمای 220 درجه سانتیگراد طراحی شده و گزینهای ایدهآل برای کاربردهای سنگین صنعتی است.
- سازگاری شیمیایی گسترده: با انتخاب صحیح الاستومر (Viton یا EPDM)، این سیل با طیف وسیعی از سیالات شامل آب، روغن، حلالها و مواد شیمیایی سازگار است.
- نصب و نگهداری آسان: طراحی استاندارد این قطعه، فرآیند نصب مکانیکال سیل M7N را بسیار ساده کرده و زمان توقف تجهیزات را به حداقل میرساند.
پارامترهای عملکردی M7N▼
| ویژگی | مشخصات |
|---|---|
| قطر شفت | 14 تا 100 میلیمتر |
| فشار کاری | تا 25 بار |
| دمای کارکرد | -50 تا +220 درجه سانتیگراد |
| سرعت لغزش | 20 متر بر ثانیه |
| حرکت محوری | تا 25 میلیمتر ±1.0 میلیمتر |
مواد تشکیل دهنده مکانیکال سیل M7N▼
راهنمای سریع انتخاب متریال سیل M7N
انتخاب صحیح ترکیب مواد، کلید اصلی برای رسیدن به حداکثر کارایی و طول عمر است. برای سهولت در خرید مکانیکال سیل M7N، از راهنمای زیر استفاده کنید:
- کاربردهای عمومی (آب و روغنهای سبک): ترکیب کربن/سیلیکون کارباید (B/Q1) با اورینگ NBR یا EPDM (E) بهترین قیمت و کارایی را دارد.
- کاربردهای دما بالا و شیمیایی (روغن داغ و حلالها): ترکیب سیلیکون کارباید/سیلیکون کارباید (Q1/Q1) با اورینگ Viton (V) و قطعات فلزی استیل 316 (G) توصیه میشود.
- کاربردهای ساینده (آب حاوی ذرات معلق): ترکیب تنگستن کارباید/سیلیکون کارباید (U2/Q1) مقاومت فوقالعادهای در برابر سایش ارائه میدهد.
برای دریافت مشاوره تخصصی در زمینه انتخاب متریال و قیمت مکانیکال سیل M7N با کارشناسان ما تماس بگیرید.
سطح آببندی (Seal Face)
- سیلیکون کارباید (Q1)
- کربن گرافیت آنتیموانی (A)
- کربن گرافیت رزینی (B)
نشیمنگاه (Seat)
- استئاتیت (X)
- آلومینیوم اکسید (V)
- سیلیکون کارباید (Q1)
الاستومرها (Elastomers)
- EPDM (E)
- FKM (V)
قطعات فلزی (Metal Parts)
- فولاد زنگنزن CrNi 1.4301 (F)
- فولاد زنگنزن CrNiMo 1.4401 (G)
کاربرد های مکانیکال سیل M7N ▼
مکانیکال سیل M7N کاربرند های فراوانی در صنعت و استفاده های روزمره دارد که به صورت موردی چندی از آن را برای شما مثال زده و در ادامه برخی از مثال ها را شرح میدهیم.
- صنایع فرآوری
- صنایع شیمیایی
- صنایع خمیر و کاغذ
- فناوری آب و فاضلاب
- کشتی سازی
- روغن های روان کننده
- رساناهای با محتوای جامد کم
- پمپ های آب/فاضلاب
- پمپ های استاندارد شیمیایی
- پمپ های پیچشی عمودی
- پمپ های تغذیه چرخ دنده ای
- پمپ های چند مرحله ای (سمت درایو)
- گردش رنگ های چاپ با ویسکوزیته ۵۰۰ … ۱۵۰۰۰ میلی متر مربع بر ثانیه.
استاندارد های سیل M7N ▼
استانداردها و تأییدیههای سیل M7N
- EN 12756
- WRAS
- UBA(KTW)
جدول ابعاد استاندارد DIN EN 12756
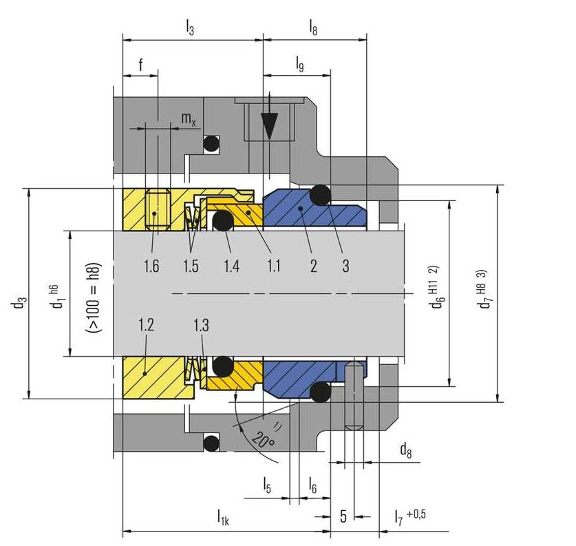
“سیل M7N” و مدلهای مشابه آن بر اساس استاندارد DIN EN 12756 ساخته میشوند. ابعاد دقیق این محصولات معمولاً در کاتالوگهای فنی ارائه میشوند، اما اطلاعات کلیدی به شرح زیر است:
- ابعاد طولی (l1k, d1, d3 و …): این ابعاد به صورت دقیق برای هر قطر شفت متفاوت است.
- میزان مجاز حرکت محوری: معمولاً در حدود **±۱.۰ تا ±۳.۰ میلیمتر** است.
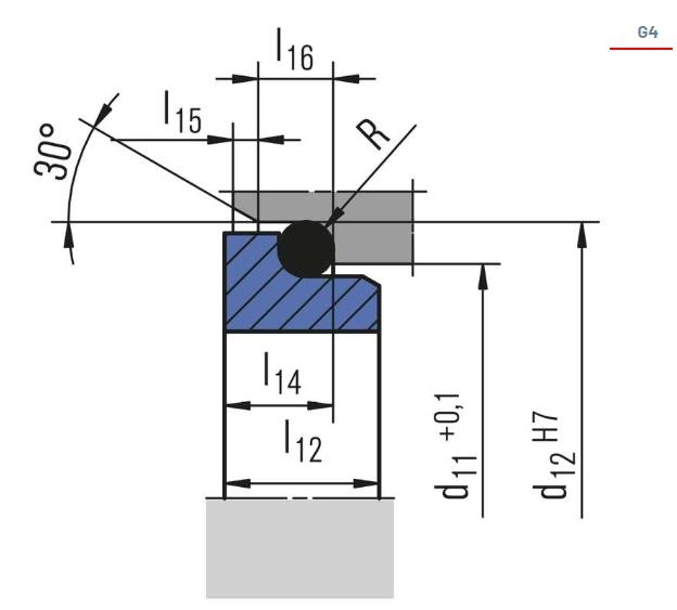
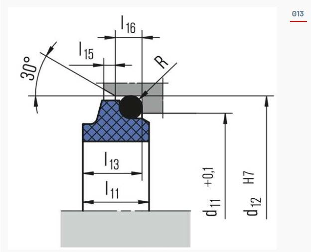
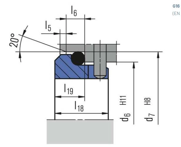
انواع Seat (نشیمنگاه) استاندارد ▼
Seat یا نشیمنگاه، یکی از اجزای حیاتی در آببند مکانیکی است که با بخش Face جفت میشود تا آببندی کامل را تضمین کند. مدلهای مختلفی از Seat بر اساس استاندارد وجود دارند که هرکدام برای کاربرد خاصی طراحی شدهاند:
- مدلهای استاندارد: G4، G6، G9، G13، G16
انتخاب Seat مناسب، تأثیر مستقیمی بر مقاومت در برابر فشار، دما و نوع سیال دارد و به همین دلیل اهمیت فراوانی دارد.
| مدل نشیمنگاه (Seat) | تصویر |
|---|---|
| Seat G4 | ![]() |
| Seat G6 | ![]() |
| Seat G9 |
![]() |
| Seat G13 | ![]() |
| Seat G16 | ![]() |
کاتالوگ های M7N ▼
نتیجهگیری
مکانیکال سیل M7N یک انتخاب ایدهآل برای صنایع مختلف به شمار میآید که به دنبال خرید مکانیکال سیل با کیفیت بالا و عملکرد قابل اعتماد هستند. این مدل به دلیل ویژگیهای منحصر به فرد خود، از جمله مقاومت در برابر دماهای بالا، فشار شدید و انواع سیالات، توانسته است به عنوان یکی از بهترین گزینهها در بازار شناخته شود.

جدول کد متریال و مواد اجزاء مکانیکال سیل M7N
برای انتخاب بهترین ترکیب مواد برای “سیل M7N”، به جدول زیر توجه کنید:
| کد | نام ماده | نوع قطعه |
|---|---|---|
| **A** | کربن گرافیت آغشته به آنتیموان | Face، واشر |
| **B** | کربن گرافیت آغشته به رزین | Face، واشر |
| **Q1** | سیلیکون کارباید | Face، Seat |
| **Q2** | سیلیکون کارباید | Face، Seat |
| **U3** | تنگستن کارباید | Seat |
| **P** | NBR | آببند ثانویه (الاستومر) |
| **E** | EPDM | آببند ثانویه (الاستومر) |
| **V** | FKM | آببند ثانویه (الاستومر) |
| **K** | FFKM | آببند ثانویه (الاستومر) |
| **G** | استیل ضد زنگ CrNiMo | فنر و قطعات فلزی |
| **M** | Hastelloy® | فنر و قطعات فلزی |
معرفی مدلهای تخصصی مکانیکال سیل M7N
مکانیکال سیل M74F
این نسخه پیشرفته از “سیل M7N” برای سیالات با ویسکوزیته پایین (مانند مایعات با گرانروی ≤ ISO VG10) ایدهآل است. مکانیکال سیل M74F با داشتن فنرهای چندگانه و پیچ پمپینگ، پایداری عملیاتی فوقالعادهای را فراهم میکند.
این مدل به فنرهای چندگانه و یک پیچک پمپاژ (Pumping Screw) مجهز است. بر خلاف تصور رایج، این طراحی بهطور خاص برای بهبود عملکرد در سیالات با ویسکوزیته پایین (مانند مایعات رقیق) بهینهسازی شده است تا جریان سیال در اطراف آببند را تسهیل کند و از تجمع ذرات جلوگیری نماید.
- قطر شفت: از ۱۴ تا ۲۰۰ میلیمتر
مکانیکال سیل M74S2
این مدل بر پایه مکانیکال سیل M7N طراحی شده؛ این سیل نیز دارای فنرهای چندگانه است، اما از یک کلید درایو (Drive Key) بهجای پیچک پمپاژ استفاده میکند. این ویژگی، M74S2 را برای کاربردهایی که به انتقال گشتاور بالا نیاز دارند، ایدهآل میسازد.
- قطر شفت: از ۲۸ تا ۲۰۰ میلیمتر
مکانیکال سیل M78N
اگر به دنبال یک سیل برای دماهای بالا (تا ۱۸۰ درجه سانتیگراد) و سیالات شیمیایی خاص هستید، مکانیکال سیل M78N بهترین انتخاب است. طراحی این سیل از سری M7N بهگونهای است که بهطور خاص برای استفاده با آببند ثانویه از جنس PTFE بهینه شده است. M78N به دلیل مقاومت بالا در برابر دما و سیالات شیمیایی خورنده، انتخاب مناسبی برای محیطهای صنعتی سخت است.
- قطر شفت: از ۱۸ تا ۱۰۰ میلیمتر
- دمای کاری: حداکثر ۱۸۰ درجه سانتیگراد
سوالات متداول درباره سیل M7N
- چه سیالاتی را میتوان با مکانیکال سیل M7N پمپ کرد؟
- مکانیکال سیل M7N برای استفاده در سیالاتی مانند آب، روغن، گاز، مواد شیمیایی و حلالها طراحی شده است.
- مکانیکال سیل M7N برای چه صنایعی مناسب است؟
- این مدل در صنایعی مانند شیمیایی، نفت و گاز، آب و فاضلاب، و تولید کاغذ کاربرد دارد.
- آیا مکانیکال سیل M7N در شرایط فشار بالا کار میکند؟
- بله، این سیل میتواند فشارهای تا 25 بار را تحمل کند و برای کاربردهای صنعتی با فشار بالا مناسب است.
- طول عمر مکانیکال سیل M7N چقدر است؟
- به دلیل استفاده از مواد با کیفیت بالا و طراحی مقاوم، مکانیکال سیل M7N دارای طول عمر بالایی است و نیاز به تعویض آن کم است.
- آیا مکانیکال سیل M7N در دماهای بالا نیز کار میکند؟
- بله، این مدل قادر به کار در دماهای بالا تا 220 درجه سانتیگراد است.









عرفان –
سلام مدل جایگزین چینی معرفی کنید لطفا
علی رضا –
سیل M7N ببرم یا M3N کدومو پیشنهاد میکنین؟
رضایی، سرپرست تعمیرات شرکت شوفاژگار –
ما برای پمپهای آب گرم مجموعه از مکانیکال سیل M7N با متریال وایتون استفاده کردیم. بعد از گذشت یک سال، عملکردشان بدون هیچ نشتی و مشکلی عالی بوده. از مشاوره و قیمت مناسب شما هم متشکریم.